Direkt zum Inhalt

Webasto Air Top 2000 STC Marine 12 V Diesel, Multicontrol Bedienelement

WebastoArtikelnummer: 9034777C


Aufgrund der Feiertage und der anschließenden Inventur, kann es zu Verzögerungen bei der Lieferzeit kommen. Paketzustellungen erfolgen bis zum 23.12. und zwischen den Tagen, Speditionslieferungen sind vereinzelt bis zum 23.12. und wieder ab dem 07.01.2026 möglich. Wir bitten vielmals um Verständnis.

Preis:
Sonderpreis€1.419,00 EUR Normalpreis€2.009,91 EUR

inkl. MwSt. Versandkosten werden im Checkout berechnet.

Versand in 1-3 Werktagen

Beschreibung

Webasto - Air Top 2000 STC mit Multicontrol Bedienelement  – leiser Komfort

Dieses geräuscharme Heizgerät – das kleinste Luftheizgerät auf dem Markt – zeichnet sich durch seine hervorragende Heizleistung und optimale Wirtschaftlichkeit aus.

Die neuen Vorteile der Air Top 2000 STC Marine Kits

- Neuer geteilter Kabelbaum für den Marinebereich mit zwei Abzweigungen zur Batterie und zum Kabinenbedienelement

- Zwei Schnittstellen für Diagnose und MultiControl

- Geräuscharme Dosierpumpe mit PWM-Betrieb

- Neuer externer Temperatursensor mit innovativem Design

- Transparenter Kraftstoffschlauch für einfache Inspektion (nicht in den USA, dort werden Kupferleitungen verwendet)

- Einfache Kombination mit MultiControl

- Wartungs- und servicefreundlich, diagnosefähig

- Vollständig W-Bus-kompatibles Heizgerät

- Reduzierter Geräuschpegel durch verbesserten Verbrennungsluftschalldämpfer

Lieferumfang:

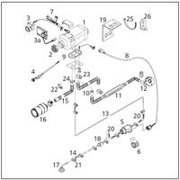
Teil 1 1 x Heizgerät 12 V

Teil 2 1 x Gitter, Clips geöffnet Ø 60

Teil 3 1 x Bedienelement für Heizgerät

Teil 3a 1 x MultiControl

Teil 4 1 x Temperatursensor, extern, 2,5 m

Teil 5 1 x Dosierpumpe

Teil 6 1 x Halterung für Dosierpumpe EPDM

Teil 7 1 x Kabelbaum mit Sicherungsfassung 12 / 24 V

Teil 8 1 x Kabelbaum (Dosierpumpe) 7.000 mm

Teil 9 1 x Dichtung

Teil 10 1 x Abgasreduzierbuchse 22 / 24

Teil 11 1 x Abgasschalldämpfer, lecksicher Ø 24; 1.800 mm

Teil 12 1 x Bordwanddurchführung für Luftaustritt

Teil 13 1 x Transparenter Kraftstoffschlauch: 5.000 mm

Teil 14 5 x Kraftstoffschlauch

Teil 15 1 x Schlauch für Verbrennungslufteinlass 300 mm

Teil 16 1 x Schalldämpfer für Verbrennungslufteinlass

Teil 17 1 x Tankentnehmer

Teil 18 1 x Kraftstofffilter

Teil 19 1 x Halterung für Heizgerät, Edelstahl

Teil 20 Vibrationsdämpfer für Kraftstoffschlauch

1 Beutel (mit mechanischen Einbauteilen), bestehend aus:

Teil 21 10 x Schlauchschelle (Edelstahl) Ø 14

Teil 22 1 x Rohrschelle Ø 30

Teil 23 1 x Schlauchschelle Ø 26 – 28

Teil 24 1 x Schlauchschelle (Edelstahl) Ø 16 – 27

Teil 25 17 x Kabelbinder

Teil 26 2 x Winkelhalterung

GPSR Information

Hersteller
Name: Webasto Roof & Components SE
Anschrift: Friedrichshafener Str. 9 10
PLZ, Ort: 82205, Gilching
Land: Deutschland
Email: info@webasto.com
Web: https://www.webasto.com

Versandkosten berechnen

Das könnte Ihnen auch gefallen

Zuletzt angesehen