Skip to main content Skip to search Skip to navigation

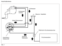
Isotherm SPA 40 Boiler 230V/750W

Isotherm SPA 40L Water Heater

3407,28 kr.
incl. 19% VAT , plus shipping costs
Net: 2863,26 kr.
Lieferung Schweiz

Ordered in Germany. Delivered to Switzerland.

Order from any online shop in Germany and receive your goods at your doorstep in Switzerland in just 2–3 days.